
客户至上
中部科技发展有限公司
联系电话:
13592450115
邮箱:hnhthuanbao@163.com
QQ:873515445
联系地址:
河南省郑州市二七区航海中路154号东方大厦2610室
当前位置: 网站首页 > 项目公示
根据《中华人民共和国清洁生产促进法》、《清洁生产审核办法》、《河南省清洁生产审核实施细则》的要求,以及《河南省 2020 年水污染防治攻坚战实施方案》“加大造纸、焦化、氮肥、农副食品加工、毛皮制革、印染、有色金属、原料药制造、电镀等行业重点企业强制性清洁生产审核力度”的工作部署。河南省生态环境厅于2020年4月22日发布了《关于公布2020年度河南省强制性清洁生产审核重点企业名单的通知》,我公司为《名单》中在列的强制性清洁生产审核重点企业。
为切实改善公司的生产运营状况,提升公司经济效益、减少污染物排放,同时结合公司的发展需要,我公司计划启动2020年度清洁生产审核工作,并委托中部科技发展有限公司对审核工作进行技术方法指导。
现向公众公示我公司审核前企业基本情况和产污排污状况,请社会各界对我公司实施清洁生产审核的情况进行监督。
一、企业基本情况
|
企业名称 |
郑州鸿丰实业有限公司 |
企业性质 |
有限责任公司(自然人投资或控股) |
|
法人代表 |
刘继奎 |
地址 |
河南省郑州市新密市苟堂镇石庙村 |
|
统一信用代码 |
914101831705791821 |
占地面积 |
6000m² |
|
产品及产能 |
1.2万吨/年铝箔衬纸 |
||
|
所属行业 |
机制纸及纸板制造 |
||
|
员工人数 |
80人 |
生产班制 |
3班制,300天/年 |
二、能源使用情况
|
序号 |
能源 |
消耗量 |
|||
|
单位 |
2017年 |
2018年 |
2019年 |
||
|
1 |
电力 |
万kW.h |
375.44 |
339.85 |
382.25 |
|
2 |
天然气 |
万Nm³ |
80.34 |
62.7 |
73.9 |
|
3 |
水 |
t |
28356 |
21910 |
27338 |
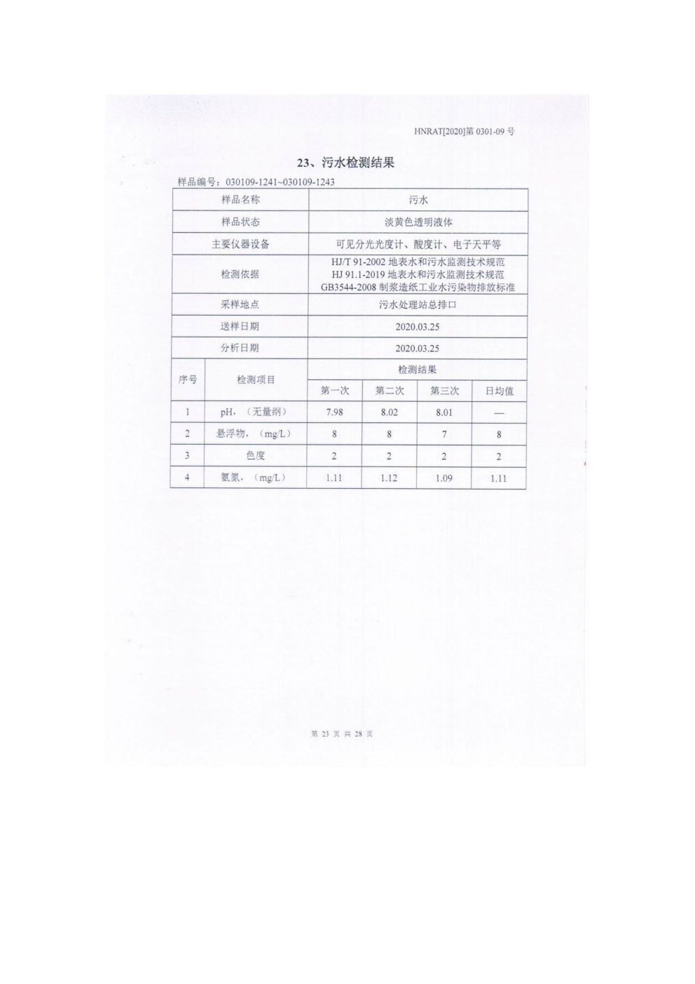
三、审核前排污情况
|
类别 |
产污环节 |
主要污染因子 |
处理措施 |
达标情况 |
|
废水 |
生产车间 |
pH |
污水处理站处理规模为2000m³/d,采用“调节池+物化絮凝+沉淀池”处理工艺 |
1、定期安排手工检测,检测数据达标。 |
|
COD |
||||
|
NH3-N |
||||
|
BOD5 |
||||
|
SS |
||||
|
色度 |
||||
|
pH |
||||
|
废气 |
生产车间 |
厂界无组织颗粒物 |
1、定期安排手工检测,检测数据达标排放。 |
|
|
噪声 |
机械设备 |
等效连续A声级 |
隔音、基础减震等 |
|
|
一般固废 |
职工生活 |
生活垃圾 |
定期运往垃圾中转站 |
|
|
污水站 |
污泥 |
板框压滤机脱水后,在污泥储存间暂存,由回收单位回收用于造砖 |
||
|
生产车间 |
废包装 |
收集后出售给废品回收单位 |
||
|
危险废物 |
设备 |
废机油 |
收集后置于危废暂存间,定期由有资质的单位回收。 |
|
四、联系人及联系方式
审核企业:郑州鸿丰实业有限公司
联 系 人:刘朋博
联系电话:15890656208
咨询单位:中部科技发展有限公司
联 系 人:蒋军
联系电话:13592450115
公众意见征询的起止时间为2020年05月16日~2020年05月18日。
特此公告!

COPYRIGHT BY 中部科技发展有限公司为您提供清洁生产审核,绿色创建,环保管家,监测监控,绿色改造,等环保咨询业务 ALLRIGHT RESERVED